快盈v3

上海川沪阀门有限公司
支耳式刀型闸阀图片

支耳式刀型闸阀 型号:PZ73X/PZ73H/PZ73Y

支耳式刀型闸阀采用手轮驱动,一般为小口径阀门,具有结构紧凑、设计合理、轻型节材,密封可靠、操作轻便灵活、体积小、通道流畅、流阻小、重量轻、易安装、易拆卸等优点。支耳式刀型闸阀其闸板具有剪切功能,可刮除密封面上的粘着物,自动清除杂物,不锈钢闸板可防止腐蚀引起的密封泄漏。

使用范围
快盈v3 支耳式刀型闸阀广泛满足造纸、纸浆工业、工业污水和城市污水处理、化工厂、飞灰处理、散状物料输送、食品饮料工业的使用要求及工作条件苛放慢的环境条件下。

支耳式刀型闸阀 技术参数

公称压力 PN
壳体试验 1.5PN
密封试验 1.1PN
工作温度e 橡胶≤80℃ 四氟密封≤180℃  硬密封≤425℃
适用介质 糖浆、纸浆、污水、煤浆、灰、渣水混合物

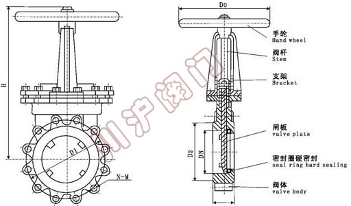
支耳式刀型闸阀 结构图

支耳式刀型闸阀结构图

支耳式刀型闸阀 外形尺寸

PZ73X/PZ73F/PZ73H/PZ73Y型手动凸缘刀型闸阀外形结构连接尺寸(mm)
公称压力(MPa) 公称通径(mm) L D D1 D2 H N-M D0
1.0 50 48 160 125 100 285 4-M16 180
65 48 180 145 120 298 4-M16 180
80 50 195 160 135 315 4-M16 220
100 50 215 180 155 365 8-M16 220
125 57 245 210 185 400 8-M16 230
150 57 280 240 210 475 8-M20 280
200 70 335 295 265 540 8-M20 360
250 70 390 350 320 630 12-M20 360
300 76 440 400 368 780 12-M20 400
350 76 500 460 429 885 16-M20 400
400 89 565 515 482 990 16-M22 400
450 89 615 565 532 1100 20-M22 530
500 114 670 620 585 1200 20-M22 530
600 114 780 725 685 1450 20-M27 600
700 130 895 940 800 1700 24-M27 600
800 130 1010 950 905 2000 24-M30 680
900 140 1110 1050 1005 2300 28-M30 680
由于产品改进技术创新参数可能有一定变化,公司不另行通知,请联系我司和索要支耳式刀型闸阀产品详细样本。

支耳式刀型闸阀 订货流程

  • 客户来电咨询:021-5186 3046
  • 客户采购清单传真至:021-5186 3049
  • 收到客户采购清单,为客户提供阀门型号选型与报价单

支耳式刀型闸阀 订货须知

  • 公称通径
  • 公称压力
  • 连接方式
  • 执行机构有无特殊要求(可以根据客户要求配置)
  • 工艺介质及状态
  • 阀前压力、阀后压力
  • 大、正常、小流量
  • 使用温度
  • 有无特殊要求

  • 电动闸阀
  • 电动闸阀
    电动闸阀(材质碳钢、法兰连接、配多回转型电动执行器、带无源触点反馈)
  • 电动闸阀
  • 电动闸阀
    电动闸阀(材质锻钢、法兰连接、适合高压场合使用、配多回转型电动执行器)
  • 电动刀闸阀
  • 电动闸阀
    电动刀闸阀(材质碳钢、对夹连接、配多回转型电动执行器、有户外型、整体型、防爆型)
  • 气动闸阀
  • 气动闸阀
    气动闸阀(材质碳钢、法兰连接、配双作用或单作用气缸、带气动附件)
  • 气动刀闸阀
  • 气动闸阀
    气动刀闸阀(材质碳钢、对夹连接、配双作用或单作用气缸、选配气动附件)
  • 气动刀闸阀
  • 气动闸阀
    气动刀闸阀(材质不锈钢、对夹连接、配双作用或单作用气缸、选配气动附件)
  • 气动刀闸阀
  • 气动闸阀
    气动刀闸阀(材质不锈钢、对夹连接、配双作用或单作用气缸、选配气动附件)
  • 气动刀闸阀
  • 气动闸阀
    气动刀闸阀(材质碳钢、对夹连接、带手轮、配双作用或单作用气缸、选配气动附件)
  • 气动插板阀
  • 气动闸阀
    气动插板阀(材质碳钢、法兰连接、配双作用或单作用气缸、选配气动附件)
  • 气动双闸板闸阀
  • 气动闸阀
    气动双闸板闸阀(材质碳钢、法兰连接、配双作用或单作用气缸、选配气动附件)
  • 手动刀闸阀
  • 闸阀
    手动刀闸阀(阀体碳钢、阀板不锈钢、对夹连接、带手轮、适合浆液类介质)
  • 低温闸阀
  • 闸阀
    低温闸阀(材质不锈钢、法兰连接、带低温管、低温处理、适合低温介质使用)
  • 手动法兰闸阀
  • 闸阀
    手动法兰闸阀(阀体材质WCB、法兰连接、带手轮)
  • 手动高压闸阀
  • 闸阀
    手动高压闸阀(阀体材质铸钢、法兰连接、带手轮)
  • 手动锻打闸阀
  • 闸阀
    手动锻打闸阀(阀体材质A105锻钢、法兰连接,带手轮)
  • 手动美标闸阀
  • 闸阀
    手动美标闸阀(材质不锈钢、美标法兰连接、带手轮)
  • 手动内螺纹闸阀
  • 闸阀
    手动内螺纹闸阀(材质锻钢、内螺纹连接、带手轮)
  • 锻打不锈钢闸阀
  • 闸阀
    锻打不锈钢闸阀(材质不锈钢,法兰连接,带手轮)
  • 暗杆软密封闸阀
  • 闸阀
    暗杆软密封闸阀(材质铸铁、法兰连接、橡胶软密封)
  • 手动铸铁闸阀
  • 闸阀
    手动铸铁闸阀(材质铸铁、法兰连接、橡胶软密封)