| 阀体材质 | WCB碳钢、304不锈钢、316不锈钢 |
|---|---|
| 公称通径 | DN15~300mm |
| 公称压力 | PN1.6MPa、2.5MPa、4.0MPa、6.4MPa、Class150、300 |
| 密封形式 | 聚四氟乙烯PTFE密封(-40~150℃)、对位聚苯PPL密封(-40~300℃)、合金钢H密封(-40~425℃)、硬质合金Y密封(-40~425℃) |
| 阀芯形式 | 三通L型,三通T型 |
| 驱动形式 | 手柄、蜗轮、电动、气动、液动等 |
| 行业应用 | 应用于 医疗器械、太阳能、清洗设备、食品机械、燃烧器、焊接切割、消防安全、生物制药、机械制造等行业等 |
三通法兰球阀分为L形和T形,L形(Q44F)三通球阀用于介质流向的切换,能使相互垂直的两个通道连接;T形(Q45F)三通球阀用于介质分流、合流及流 向切换。T形三通可以使三个通道相互连通或使其中的两个通道连通。三通球阀Q44F、Q45F广泛适用于水、油、气、硝酸类、醋酸类多种介质。
执行机构选型
三通法兰球阀通过支架和联轴器和电动执行机构和气动执行机构连接,组成,电动三通法兰球阀(开关型和调节型控制信号4-20mA)和气动三通法兰球阀(开关型和调节型控制信号4-20mA)
| 公称压力 PN(MPa) | 壳体试验 (MPa) | 密封试验 (MPa) | 气密试验 (MPa) |
|---|---|---|---|
| 1.6 | 2.4 | 1.76 | 0.6 (MPa) |
| 2.5 | 3.75 | 2.75 | |
| 4.0 | 6.0 | 4.4 | |
| CLASS150 | 3.0 | 2.2 | |
| 适用工况 | 适用介质 | 水、油品、气等非腐蚀介质和酸碱腐蚀介质 | |
| 适用温度 | -28~350℃ | ||
| 应用规范 | 连接法兰 | JB79-59 GB9113、 HG20592-97、 ANSI B16.5 | |
| 检验试验 | JB/T 9092-99 、API598 | ||
手动三通L型球阀
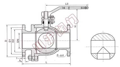
| 型号 | 公称通径 DN(mm) | 尺寸(mm) | |||||||||
|---|---|---|---|---|---|---|---|---|---|---|---|
| L | L2 | D | D1 | D2 | b | f | Z-d | H | W | ||
| Q44F-16C | 15 | 150 | 72 | 95 | 65 | 45 | 14 | 2 | 4-14 | 95 | 130 |
| 20 | 160 | 80 | 105 | 75 | 55 | 14 | 2 | 4-14 | 110 | 130 | |
| 25 | 180 | 90 | 115 | 85 | 65 | 14 | 2 | 4-18 | 120 | 140 | |
| 32 | 200 | 100 | 135 | 100 | 78 | 16 | 2 | 4-18 | 144 | 180 | |
| 40 | 220 | 110 | 145 | 110 | 85 | 16 | 3 | 4-18 | 152 | 220 | |
| 50 | 240 | 120 | 160 | 125 | 100 | 16 | 3 | 4-23 | 182 | 220 | |
| 65 | 260 | 130 | 180 | 145 | 120 | 16 | 3 | 4-18 | 193 | 240 | |
| 80 | 280 | 140 | 195 | 160 | 135 | 20 | 3 | 8-18 | 217 | 270 | |
| 100 | 320 | 160 | 215 | 180 | 155 | 20 | 3 | 8-18 | 245 | 350 | |
| 125 | 380 | 190 | 245 | 210 | 185 | 22 | 3 | 8-18 | 282 | 500 | |
| 150 | 440 | 220 | 280 | 240 | 210 | 24 | 3 | 8-23 | 319 | 600 | |
| 200 | 550 | 260 | 335 | 295 | 265 | 26 | 3 | 12-23 | 380 | 1000 | |
| 250 | 670 | 310 | 405 | 355 | 320 | 30 | 3 | 12-25 | 460 | 1400 | |
| 300 | 720 | 370 | 460 | 410 | 375 | 30 | 3 | 12-25 | 520 | 1800 | |
手动三通T型球阀 连接尺寸
| 型号 | 公称通径 DN(mm) |
尺寸(mm) | |||||||||
|---|---|---|---|---|---|---|---|---|---|---|---|
| L | L2 | D | D1 | D2 | b | f | Z-d | H | W | ||
| Q45F-16C | 15 | 150 | 72 | 95 | 65 | 45 | 14 | 2 | 4-14 | 95 | 130 |
| 20 | 160 | 80 | 105 | 75 | 55 | 14 | 2 | 4-14 | 110 | 130 | |
| 25 | 180 | 90 | 115 | 85 | 65 | 14 | 2 | 4-18 | 120 | 140 | |
| 32 | 200 | 100 | 135 | 100 | 78 | 16 | 2 | 4-18 | 144 | 180 | |
| 40 | 220 | 110 | 145 | 110 | 85 | 16 | 3 | 4-18 | 152 | 220 | |
| 50 | 240 | 120 | 160 | 125 | 100 | 16 | 3 | 4-23 | 182 | 240 | |
| 65 | 260 | 130 | 180 | 145 | 120 | 16 | 3 | 4-18 | 193 | 270 | |
| 80 | 280 | 140 | 195 | 160 | 135 | 20 | 3 | 8-18 | 217 | 350 | |
| 100 | 320 | 160 | 215 | 180 | 155 | 20 | 3 | 8-18 | 245 | 500 | |
| 125 | 380 | 190 | 245 | 210 | 185 | 22 | 3 | 8-18 | 282 | 600 | |
| 150 | 440 | 220 | 280 | 240 | 210 | 24 | 3 | 8-23 | 319 | 1000 | |
| 200 | 550 | 260 | 335 | 295 | 265 | 26 | 3 | 12-23 | 380 | 1300 | |
| 250 | 670 | 310 | 405 | 355 | 320 | 30 | 3 | 12-25 | 460 | 1700 | |
| 300 | 720 | 370 | 460 | 410 | 375 | 30 | 3 | 12-25 | 520 | 2100 | |
| 球阀说明书 | 下载 |
|---|---|
| 球阀说明书-上海川沪阀门有限公司 | 点击下载 |