快盈v3

上海川沪阀门有限公司
CHQ型电动执行器图片
驱动形式 角行程(0-90°)
驱动电压 单相AC110V 50/60HZ;AC220V 50/60HZ;AC240V 60HZ
三相AC380V 50HZ
直流DC24V.DC36V
输入信号 ON-OFF、DC4~20mA或DC1~5V
输出信号 ON-0FF、DC4~20mA或DC1~5V
壳体材质 铝合金、不锈钢
防护等级 IP67
防爆形式 防爆型(ExdII BT4、ExdII CT4)

CHQ型电动执行器 型号:CHQ

CHQ型电动执行器用于控制0°~270°旋转的阀门及其他同类产品,如蝶阀、球阀、风门、挡板阀、旋塞阀、百叶阀等,可以广泛应用于石油、化工、水处理、船舶、造纸、电站、供热,轻工等各行业中。

执行机构选型
CHQ型电动执行器它以380V/220V/110V交流电源为驱动电源,以4-20mA电流信号或0-10V DC 电压信号为控制信号,可使阀门运动到所需位置,实现其自动化控制,大输出扭距达4000N·m。

CHQ型电动执行器性能特点

1壳体壳体为硬质铝合金,经阳极氧化处理和聚酯粉末涂层,耐腐蚀性强,防护等级为IP67,NEMA4和6,并有IP68和防爆型供选择。
2电机全封闭式鼠笼式电机,体积小,扭矩大,惯性力小,绝缘等级为F级,内置过热保护开关,可防止过热损坏电机。
3手动结构手轮的设计保证安全可靠、省力、体积小。不通电时,扳动离合器手柄可进行手动操作。通电时,离合器自动复位。
(注:在电机不通电的状况下,电动执行器将保持永久手动状态)
4指示器指示器安装在中心轴上,可以观察阀门位置。镜面采用凸透镜设计,不积水,观察更方便。
5千燥器用来控制温度,防止由于温度和天气变化导致执行器内部水分凝结,保持内部电气元件的干燥。
6限位开关机械,电子双重限位。机械限位螺钉可调,安全可靠;电子限位开关由凸轮机构来控制,简单的调整机构能精确并方便地设定位置,无需电池支持。《微动开关接点均为银质触点)。
7扭矩开关可提供过载保护(CHQ-005/008/010除外),在阀门卡涩,有异物时,自动断开电机电源,更有效的保护阀门和电动执行器不受损坏。(出厂前已设定好,请用户不要随意更改设置)
8自锁精密的双蜗轮蜗杆机构可高效传输大扭矩,效率高,噪音低(大50分贝),寿命长有自锁功能,防止反转,传动部分稳定可靠,出厂已经加满高效润滑脂,使用无需再加油。
9防脱螺栓拆除外壳时,螺栓附在壳体上,不会脱落。外部螺栓均采用不锈钢材质。
10安装底部安装尺寸符合ISO5211国际标准,驱动轴套可拆下根据需要进行加工,适应性强。可以垂直安装,也可以水平安装。
11线路控制线路符合单相或三机电源标准,线路布置紧凑合理,接线端子可有效满足各种附加功能的要求。阀开关到位均有无源接点输出(可根据客户要求另行加工)。
12智能模块采用集成度高,功耗很低的单片机与模拟电路混合的控制板,另采用全金属外挂式安装,使执行器电机热源与控制板有效隔离,很大程度地提高了软件及硬件的抗干扰性能及耐温性。
13阀位数字显示执行器在打开或关闭过程中,阀位的变化在液晶屏上以大数字方式实时显示。
14相序自动调整智能型执行器自动检测接入的三相电源相序,无需用户考虑三相电源的相序问题。

CHQ型电动执行器 选型参数

型号
Model
大输出扭矩
Max output torque
动作时间
Operating time 60/50HZ

轴径
Max bore size
电机
F级
F-class motor
额定电流(A)50HZ
Rated Current(A)50HZ
手轮转速
Handwheel revolution
重量Weight
单相
single phase
三相
three phases
N.M 90° mm W 110V 220V 380V 440V N Kg
CHQ-005 50 18/22 Φ20 20 1.10/0.95 0 55/0 54 0 3/0.3 N/A 10 75
CHQ-008 80 18/22 Φ20 20 1.10/0.95 0.55/0.54 0.3/0.3 N/A 10 75
CHQ-010 100 18/22 Φ20 20 110/0.95 0 55/0 54 0 30 3 N/A 10 7 5
CHQ-015 150 21/25 Φ22 40 1.65/1.67 0.88/0.84 0.31/0.31 0.30/0.31 11 17.3
CHQ-020 200 21/25 Φ22 40 1.67/1.67 0 89/0.85 0.31/0.31 0.30/0 31 11 173
CHQ-030 300 26/31 Φ35 90 1.85/1.86 0.92/0.92 0.35/0.35 0.34/0.34 135 22
CHQ-050 500 26/31 Φ35 90 3.60/3.62 1.55/1.58 0.59/0.59 0.58/0.58 135 23
CHQ-060 600 26/31 Φ35 120 3.65/3.62 1.60/2.20 0.60/0.59 0.59/0.58 135 23
CHQ-080 800 31/37 Φ45 180 4.10/4.10 2.15/2.20 0.85/0.85 0.79/0.79 16 5 29
CHQ-120 1200 31/37 Φ45 180 4.20/4.10 2.35/2.30 o.e7/0.87 0.81/0.81 16.5 29
CHQ-200 2000 93/112 Φ65 180 4.10/4.10 2152 20 o.a5/O.a5 0.79/0.79 49.5
CHQ-300 3000 93/112 Φ65 180 4.20/4.10 2.35/2.30 0.85/0.85 0.81/0.81 49 5 75

CHQ型电动执行器基本技术参数

电机电源 标准:220V AC单相
可选:110V AG单相.380、440V AC 3相.50/60Hz,±10%
      24V DC/110V DC/220V DC
 
电机 鼠笼式异步电机   
限位开关 开/关,各1AI ,  SPDT.250V AC 10A   
辅助限位开关
扭矩开关
开/关,各1个.SPDT,250V AC 10A
    开/关,各1个,  SPDT.250V AC 10A
CHQ-005/008/010除外
    
行程 90° 0°-270°可选
失速保护/操作温度 内置过热保护.开115℃±5℃/关97℃±5℃  
指示器 连续的位置指示刻度   
手动操作 机械离台机构,配手轮操作   
自锁装置 蜗轮,蜗杆机构提供自锁  
机械限位 2个外部调整螺栓  
干燥器 7-10W(110/220V AC)  
接线孔 2个PF 3/4”  
环境温度 200C_+70℃  
润滑 铝基润滑脂(EP型)  
材料 钢,铝合金,铝青铜,聚碳酸酯   
环境湿度 大90% RH 非凝结
抗震性能 X Y Z 10g.0.2-34 Hz,30分  
外涂层 干粉,环氧聚酯,具有超强的防腐能力  

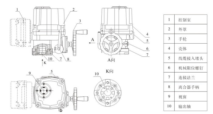
CHQ型电动执行器外观图

CHQ型电动执行器外观图

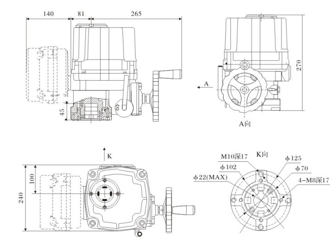
CHQ型电动执行器(005~010外观及安装尺寸)

CHQ型电动执行器尺寸

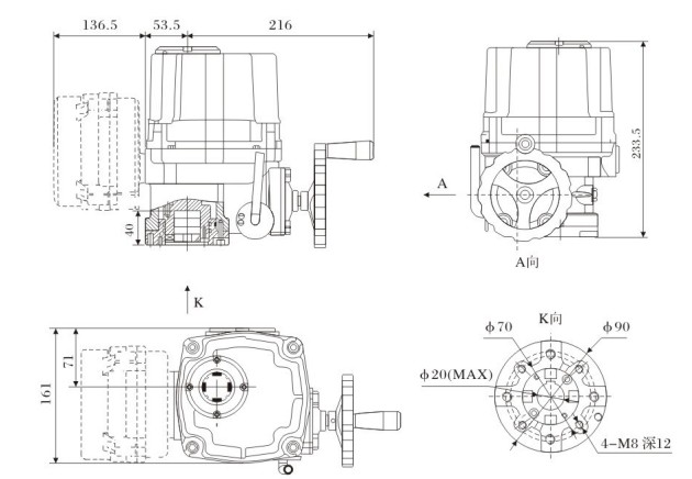
CHQ型电动执行器(015~020外观及安装尺寸)

CHQ型电动执行器尺寸

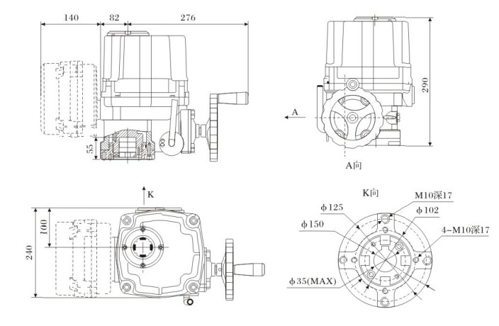
CHQ型电动执行器(030~060外观及安装尺寸)

CHQ型电动执行器尺寸

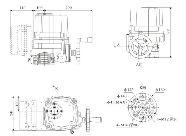
CHQ型电动执行器(080~500外观及安装尺寸)

CHQ型电动执行器尺寸
由于产品改进技术创新参数可能有一定变化,公司不另行通知,请联系我司和索要CHQ型电动执行器产品详细样本。
  • CHV电动执行器
  • 执行器和附件
    CHV电动执行器(配球阀使用、有开关型和调节型、电压AC220V、DC24V、AC380V)
  • CHQ防爆电动执行器
  • 执行器和附件
    CHQ防爆电动执行器(配球阀使用、防爆型、开关型带无源触点反馈、电压可选)
  • CHQ防爆电动执行器
  • 执行器和附件
    CHQ防爆电动执行器(配球阀使用、调节型、输入输出信号4-20mA、电压可选)
  • CHQ防爆智能电动执行器
  • 执行器和附件
    CHQ防爆智能电动执行器(配球阀使用、智能一体化、带现场操作、电压可选)
  • CH电动执行器
  • 执行器和附件
    CH电动执行器(配球阀使用、开关型带无源触点反馈、电压AC220V、DC24V、AC380V)
  • CH电动执行器
  • 执行器和附件
    CH电动执行器(配球阀使用、调节型输入输出4-20mA、电压可选)
  • CHQ防爆智能电动执行器
  • 执行器和附件
    CHQ防爆智能电动执行器(配球阀使用、带蜗轮箱、智能一体化、带现场操作、电压可选)
  • 保位阀
  • 执行器和附件
    保位阀(气源故障后、保位阀切断气源通道、使阀门保持断气前位置)
  • 电磁阀
  • 执行器和附件
    电磁阀(控制气动执行器进气、接收电信号来控制阀门开和关、电压AC220V、DC24V可选)
  • 限位开关
  • 执行器和附件
    限位开关(配合气动执行器使用、反馈阀门开和关、输出无源触点信号)
  • 空气减压阀
  • 执行器和附件
    空气减压阀(配合定位器使用、减小空压机管道送过来的气源压力、使得执行器正常工作)
  • 气源三联件
  • 执行器和附件
    气源三联件(过滤空压机气源、并且控制气源压力大小、使得气压符合执行器气压使用)

CHQ型电动执行器 订货流程

  • 客户来电咨询:021-5186 3046
  • 客户采购清单传真至:021-5186 3049
  • 收到客户采购清单,为客户提供阀门型号选型与报价单

CHQ型电动执行器 订货须知

  • 公称通径
  • 公称压力
  • 连接方式
  • 执行机构有无特殊要求(可以根据客户要求配置)
  • 工艺介质及状态
  • 阀前压力、阀后压力
  • 大、正常、小流量
  • 使用温度
  • 有无特殊要求
快盈v3