发布时间:2024-08-12
气动软密封蝶阀是一种常见的控制阀门,主要用于管道中流体的控制和调节。它具有结构简单、操作方便、密封性好等优点,因此在许多工业领域被广泛应用。
气动软密封蝶阀是一种采用压缩空气作为动力源,通过阀杆带动阀芯在阀体内旋转90°C实现全开或全闭动作的调节阀。它广泛应用于石油、化工、造纸等行业,适用于远距离集中控制或就地控制的场合。
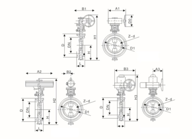
产品结构图

工作原理与结构特点
工作原理:气动软密封蝶阀利用压缩空气推动活塞式执行机构,通过阀杆使蝶板在0-90°范围内转动,以控制介质流通的启闭。
结构特点:通常采用双偏心或三偏心结构,具有越关越紧的密封功能,密封副材料常选用不锈钢和丁腈耐油橡胶,使用寿命长。橡胶密封圈可以位于阀体上或蝶板上,适应不同介质需求。
驱动方式与可选附件
驱动方式:气动驱动,工作压力在5~7Bar范围内。
可选附件:包括电磁阀、限位开关、过滤减压阀、电气定位器等,以实现智能控制与定位。
气动软密封蝶阀的特点之一是其结构简单。它由阀体、阀板、密封环、驱动装置等基本部件组成,各部件均采用模块化设计,易于拆卸和维修。与传统的截止阀和调节阀相比,气动软密封蝶阀的设计更加紧凑,可以大大减少管道空间的占用,使得管道布局更加灵活和自由。
气动软密封蝶阀的操作方便。它采用气动执行机构进行控制,可以通过信号调节或手动操作来实现对阀门的开启和关闭。与手动操作相比,气动操作更加方便快捷,能够有效提高生产效率和工作效率。同时,产品具有良好的反应速度,可以在短时间内响应控制信号并实现阀门的开关。
重要的是,气动软密封蝶阀具有很好的密封性能。它采用双向密封结构,即阀板两侧均设置有密封环,可以有效地防止流体泄漏,并且具有优异的耐腐蚀性和耐高温性能。这意味着它可以应对各种恶劣环境下的工作条件,包括强酸强碱、高温高压等。
当然,在使用气动软密封蝶阀时,需要注意以下几点。首先是阀门的选型问题,应根据实际工况选择合适的材质和规格。其次是安装位置的选择,应保证阀门在正常工作状态下能够正常运转,并且方便日常维护。最后是定期维护和检修,保持阀门的正常运行状态,延长使用寿命。
气动软密封蝶阀具有诸多优点,是管道系统中重要的一部分。随着工业技术的发展和应用范围的扩大,气动软密封蝶阀将会越来越受到重视和应用。
以上就是本篇为您分享的全部内容,希望以上的内容能够对大家有所帮助,感谢您的观看和支持,后期会整理更多资讯给大家,敬请关注我们的网站更新。