快盈v3更新时间:2025-08-20
气动法兰软密封蝶阀是一种通过气动执行机构控制阀门开闭的阀门装置,广泛应用于工业生产过程中的流体控制系统中。它结合了蝶阀和软密封两种技术,具有较好的密封性能和控制性能。
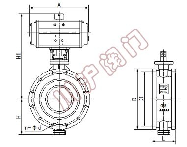
1.结构特点
气动法兰软密封蝶阀由阀体、阀板、阀杆、密封元件和气动执行机构等组成。阀体呈现圆形或椭圆形,阀板位于阀体内部,通过阀杆与气动执行机构相连。密封元件通常采用柔性材料制成,如橡胶、聚四氟乙烯等,以实现良好的密封效果。
2.工作原理
当气动执行机构接收到来自控制系统的信号时,会通过压缩空气或其他气体,将动力传递给阀杆,使阀板旋转,从而改变阀门的通断状态。密封元件的设计和结构使得阀门在关闭状态下具有较好的密封性能,能够有效防止流体的泄漏。

3.优点
◆ 快速响应:气动执行机构的特点决定了阀门的快速开闭动作,使得流体控制能够迅速响应和调整。
◆ 良好的密封性能:采用柔性密封元件,能够有效防止泄漏,提供可靠的密封性能,适用于高要求的控制系统。
◆ 大流量能力:蝶阀的结构特点使得它具有较大的流量能力,能够满足大流量流体的控制需求。
◆ 体积小、重量轻:相对于其他类型的阀门,气动法兰软密封蝶阀体积小、重量轻,便于安装和维护。
4.应用领域
气动法兰软密封蝶阀广泛应用于石油、化工、电力、冶金、水处理等行业的流体控制系统中。常见的应用场景包括调节流量、截断流体、分配流体等。
5.注意事项
◆ 定期检查密封元件的磨损情况,及时更换损坏的密封元件,以保证阀门的密封性能。
◆ 注意阀门的使用压力和温度范围,避免超过阀门的额定参数。
◆ 对于特殊介质,应选择适合的密封材料,以保证阀门的可靠性和使用寿命。
◆ 定期维护和保养阀门,检查气动执行机构的工作状态和密封性能,确保阀门的正常运行。
6.结构图

在实际应用中,根据具体的工艺需求和参数要求,选择合适的阀门型号和配置组合,以实现流体控制的准确、稳定和可靠。